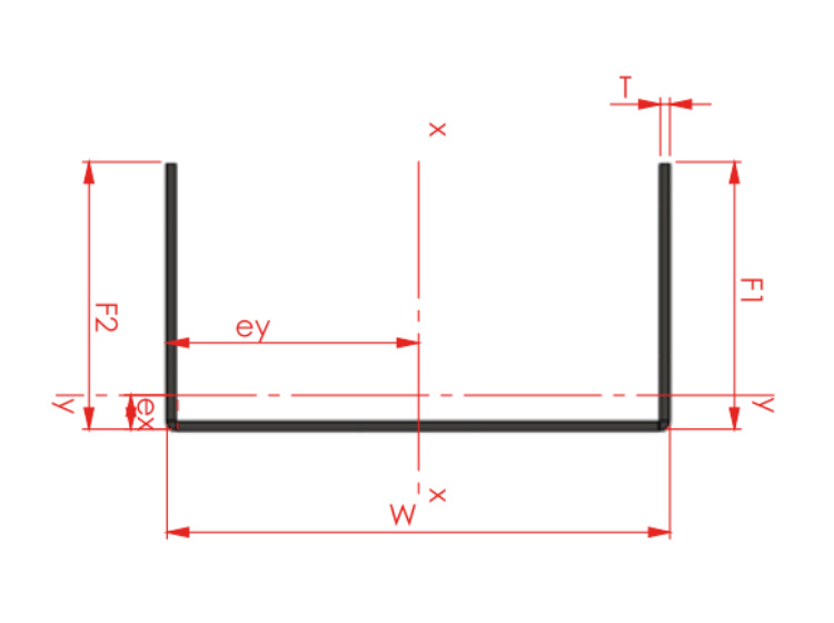
U PROFİL
U Profil, adını kesitinin “U” harfine benzemesinden alır ve taşıyıcı sistemlerden çatı ve cephe uygulamalarına kadar geniş bir kullanım alanına sahiptir. Farklı kalınlık, genişlik ve uzunluk seçenekleriyle üretilen U profiller, yapısal dayanımı ve montaj kolaylığı sayesinde birçok sektörde tercih edilir.
DGN Profil’in modern üretim hattında, ileri teknoloji kullanılarak üretilen U profiller, yüksek mukavemet, uzun ömürlü kullanım ve korozyona karşı dayanıklılık özellikleri ile öne çıkar. 20 yıllık üretim tecrübemiz ve müşteri odaklı yaklaşımımız sayesinde, projelerinize özel ölçülerde ve teknik gereksinimlere uygun U profiller üretiyoruz.
U Profiller hakkında daha fazla bilgi almak veya özel ölçü talepleriniz için bizimle iletişime geçebilirsiniz.

ROLLFORM
Kesintisiz ve seri üretim! DGN Profil’in modern Rollform teknolojisi ile yüksek kalite ve dayanıklılık.
ABKANT
Bükümde tam kontrol! Yüksek mukavemetli ve hassas büküm işlemleriyle özelleştirilmiş çözümler.
LAZER
Kesim işlemlerinde yüksek hassasiyet! DGN Profil’in lazer kesim teknolojisi ile özel profil üretiminde mükemmel detaylar.
MAKSİMUM HASSASİYET, MÜKEMMEL MUKAVEMET
İleri teknoloji ve kaliteli malzeme kullanımı sayesinde, endüstriyel uygulamalarda maksimum performans sağlıyoruz.

- Milimetrik ölçümlerle yüksek doğrulukta kesim ve büküm işlemleri
- Ağır yük koşullarına ve dış etkenlere karşı dirençli malzemeler
- Korozyona dayanıklı ve bakım gereksinimi düşük yapılar
NEDEN DGN PROFİL?
DGN Profil olarak, 20 yılı aşkın deneyimimiz ve teknik uzmanlığımızla profil üretiminde güvenilir çözümler sunuyoruz. Müşterilerimizin ihtiyaçlarına en uygun ürünleri, kalite ve hassasiyetle üretiyor, uzun ömürlü ve dayanıklı çözümler sağlıyoruz.
🔹Modern Üretim Tesisi: En yeni makineler ve hassas üretim teknolojisi.
🔹Proje Özel Çözümler: Standart dışı ölçü ve form ihtiyaçlarınıza uygun üretim.
🔹Kalite ve Güven: Her aşamada sıkı kalite kontrol süreçleri.
🔹Müşteri Odaklı Yaklaşım: Proje öncesi danışmanlık ve teknik destek hizmeti.
🔹Hızlı Teslimat: Güçlü üretim kapasitesi sayesinde zamanında sevkiyat garantisi.



Bize Ulaşın
Doğru Malzeme, Hassas Üretim, Zamanında Teslimat.
İhtiyacınıza uygun en doğru profil çözümleri için DGN Profil her zaman yanınızda. Teknik detaylardan özel ölçü taleplerine, fiyatlandırmadan üretim sürecine kadar tüm sorularınız için bize hemen ulaşın.















