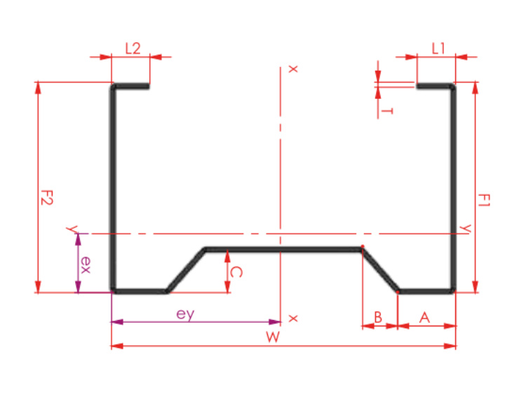
SİGMA PROFİL
Sigma Profil, kesit yapısı itibariyle “Σ” harfine benzeyen formuyla adını alır. Yüksek taşıma kapasitesi, rijit yapısı ve çok yönlü kullanım özellikleri sayesinde endüstriyel ve yapısal projelerde sıkça tercih edilir. Farklı kalınlık, genişlik ve uzunluk seçenekleri ile üretilen sigma profiller, özellikle ağır yük taşıyan sistemlerde güvenilir bir taşıyıcı eleman olarak kullanılır.
DGN Profil olarak, modern üretim hattımız ve 20 yıllık deneyimimizle farklı sektörlere yönelik özel ölçü ve teknik gereksinimlere uygun sigma profiller üretiyoruz. Yüksek mukavemetli malzemeler ve hassas üretim teknolojimiz sayesinde, uzun ömürlü ve dayanıklı çözümler sunuyoruz.
Sigma Profiller hakkında daha fazla bilgi almak veya özel ölçü talepleriniz için bizimle iletişime geçebilirsiniz.

ROLLFORM
Kesintisiz ve seri üretim! DGN Profil’in modern Rollform teknolojisi ile yüksek kalite ve dayanıklılık.
ABKANT
Bükümde tam kontrol! Yüksek mukavemetli ve hassas büküm işlemleriyle özelleştirilmiş çözümler.
LAZER
Kesim işlemlerinde yüksek hassasiyet! DGN Profil’in lazer kesim teknolojisi ile özel profil üretiminde mükemmel detaylar.
MAKSİMUM HASSASİYET, MÜKEMMEL MUKAVEMET
İleri teknoloji ve kaliteli malzeme kullanımı sayesinde, endüstriyel uygulamalarda maksimum performans sağlıyoruz.

- Milimetrik ölçümlerle yüksek doğrulukta kesim ve büküm işlemleri
- Ağır yük koşullarına ve dış etkenlere karşı dirençli malzemeler
- Korozyona dayanıklı ve bakım gereksinimi düşük yapılar
NEDEN DGN PROFİL?
DGN Profil olarak, 20 yılı aşkın deneyimimiz ve teknik uzmanlığımızla profil üretiminde güvenilir çözümler sunuyoruz. Müşterilerimizin ihtiyaçlarına en uygun ürünleri, kalite ve hassasiyetle üretiyor, uzun ömürlü ve dayanıklı çözümler sağlıyoruz.
🔹Modern Üretim Tesisi: En yeni makineler ve hassas üretim teknolojisi.
🔹Proje Özel Çözümler: Standart dışı ölçü ve form ihtiyaçlarınıza uygun üretim.
🔹Kalite ve Güven: Her aşamada sıkı kalite kontrol süreçleri.
🔹Müşteri Odaklı Yaklaşım: Proje öncesi danışmanlık ve teknik destek hizmeti.
🔹Hızlı Teslimat: Güçlü üretim kapasitesi sayesinde zamanında sevkiyat garantisi.



Bize Ulaşın
Doğru Malzeme, Hassas Üretim, Zamanında Teslimat.
İhtiyacınıza uygun en doğru profil çözümleri için DGN Profil her zaman yanınızda. Teknik detaylardan özel ölçü taleplerine, fiyatlandırmadan üretim sürecine kadar tüm sorularınız için bize hemen ulaşın.















